HWYSVG电压调节型动态无功补偿装置
- 产品介绍
-
产品介绍
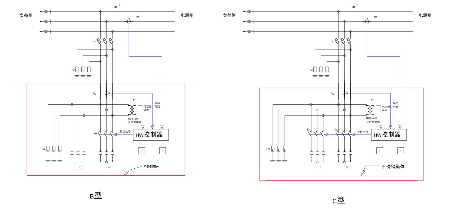
HWFWZ可根据功率因数、电压以及时间来控制电容器组的投切,对电容器容量进行比较运算,选出最佳补偿的电容器进行操作,从而使配电线路的无功达到最佳平衡。装置主要由控制器、户外电流互感器、电压互感器(兼作电源)、真空接触器、电力电容器组、避雷器、柜体等部分组成。
型号说明

技术参数

功能特点
控制方式:具有电压、时间、无功功率、功率因数等多种控制方式,可适应不同线路特点的需要;
补偿可靠:采用反时限积分面积平滑投切电容器,无投切振荡,无补偿呆区;
安全可靠:装置采用不锈钢喷塑箱体,全封闭一体化结构,安装方便、运行安全、外形美观、经久耐用;
逆向补偿:可对补偿点前端(供电端)的其它配变进行适当无功补偿,使线路无功全线整体平衡,线损明显下降,同时不影响电网的无功潮流;
运行数据:实时电网运行数据(U、1、 P、Q、COSφ)进行监测、分析、统计和无线传输功能,方便用电管理;
一次系统图

外形示意图

产品选型
- 上一条:HWMSVC型动态无功补偿装置

- 下一条:无
其他产品



