HWYSVG电压调节型动态无功补偿装置
- 产品介绍
-
产品概述
HWTSVG系列混合型补偿成套装置通过使用晶闸管作为电容器的投切开关,并与SVG补偿技术完美结合,各功率单元可同时运行,也可单独运行,可靠性高。该装置充分利用大容量电容器阶梯补偿,再利用小容量SVG对级差部分进行无级补偿,达到平滑调容的补偿效果,既节省了成本又达到了SVG响应速度,保证整套装置的安全可靠工作和达到优良的无功补偿效果。
型号说明

技术参数

功能特点
过零投切:采用晶闸管零过渡开关与SVG补偿技术完美结合,调容平稳无冲击、跟踪准确、补偿及时、响应速度快;
安全可靠:具有过压、欠压、失压、缺相、过载、短路、谐波超限、瞬时过压等多重保护,装置运行安全可靠;
配电监测:控制系统显示系统电压、电流、有功、无功、功率因数、频率、电压电流谐波含量、电量等电气数据;
谐波抑制:选择合适电抗率,在有效进行无功补偿的同时,抑制高次谐波保护电容支路;
补偿精度:感性、容性无功动态双向平滑调节,以最少的投切次数达到理想补偿效果,提高补偿装置的使用寿命;
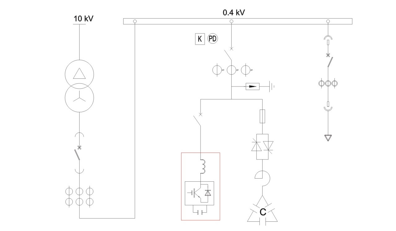
一次系统图
外形示意图
产品选型
- 上一条:HWDCR动态脉冲补偿成套装置

- 下一条:HWTSC低压动态无功功率补偿装置
其他产品



