HWYSVG电压调节型动态无功补偿装置
- 产品介绍
-
产品概述
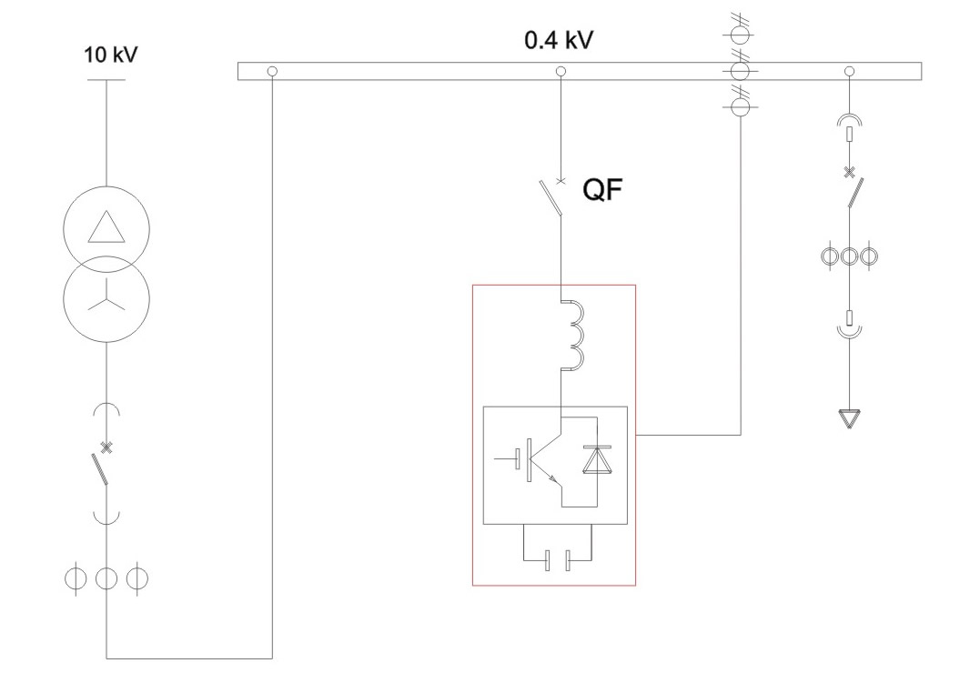
HWAPF系列低压有源滤波器以并联的方式接入电网,通过实时检测负载的谐波和无功分量,采取PWM变换技术,将与谐波和无功分量大小相等、方向相反的电流注入供配电系统中,实现滤除谐波、动态补偿无功的功能。
型号说明
技术参数
功能特点
滤除谐波:采用模拟及数字滤波方式和功率管IGBT,可迅速消除谐波;
安全可靠:具有过压、欠压、过流、限流、过温、IGBT等各种保护功能、瞬时过压等多重保护,装置运行安全可靠;
配电监测:控制系统显示系统电压、电流、有功、无功、功率因数、频率、电压电流谐波含量等电气数据;
多种模式:可以只滤波,或同时滤波和补偿无功,自动消除系统谐振,且具有自动限流功能,不会发生过载;
模块设计:模块化、冗余化,高可靠性,维护方便;
一次系统图
外形示意图
产品选型
有源电力滤波器选型方法
用户快速选型表
- 上一条:HWJKF低压无功功率补偿装置

- 下一条:无
其他产品



